Radio Aus-/Einbau im Alfa 75

Das Forum über die Transaxle Maschinen!
Benutzeravatar
JTD-Ti
Beiträge: 284
Registriert: 29 Feb 2008, 11:45
Answers: 0
Aktuelle Fahrzeuge: Alfa Romeo Stelvio 🍀 2.9 V6 2018 (ohne OPF 😈) - nero vulcano
Alfa Romeo 75 2.5 6V iniezione QV - Bianco Argento met.
VW Up! 1.0 TSI - schwarz
Wohnort: Bern
Kontaktdaten:

Radio Aus-/Einbau im Alfa 75

Beitrag von JTD-Ti »

Morgen mitenand!

Habe im Forum gesucht und echt nichts gefunden:

Mein altes Kassettenradio ist ausgestiegen und ich möchte ein "neues" Alpine-Radio anno 1987 einbauen...

Nun: Mein altes Radio hat keine Art Schlitze oder Löcher, mittels denen man den Radio rausnehmen könnte und an der Rückseite hat es Unmengen an Kabel und Dämmmaterial...

Wie weiter? Hat jemand einen Tipp? Sonst muss ich halt den Weg über den Profi gehen, da ich meinen QV nicht wirklich verhunzgen möchte...

Merci für die Hilfe und ä Gruess us Bärn
Benutzeravatar
Petzi
Beiträge: 4518
Registriert: 27 Apr 2005, 19:58
Answers: 0
Aktuelle Fahrzeuge: Alfa Romeo 166 3.0 24V Super
Alfa Romeo Milano 2.5 V6 Q. Oro

Ex.
Alfa Romeo 164 3.0 24V Super
Wohnort: Zürich Oberland
Kontaktdaten:

Re: Radio Aus-/Einbau im Alfa 75

Beitrag von Petzi »

Hast du mal probiert den Radio einfach raus zu ziehen? Habe bei meinem auch ein altes Radio drin, dies konnte ich auch problemlos rausziehen ohne was kaputt zu machen :wink: :wink:
Alfa Romeo Sport through Design

Alfa Romeo 166 3.0 V6 24V Super
Alfa Romeo 75 Milano Q.Oro
Benutzeravatar
JTD-Ti
Beiträge: 284
Registriert: 29 Feb 2008, 11:45
Answers: 0
Aktuelle Fahrzeuge: Alfa Romeo Stelvio 🍀 2.9 V6 2018 (ohne OPF 😈) - nero vulcano
Alfa Romeo 75 2.5 6V iniezione QV - Bianco Argento met.
VW Up! 1.0 TSI - schwarz
Wohnort: Bern
Kontaktdaten:

Re: Radio Aus-/Einbau im Alfa 75

Beitrag von JTD-Ti »

wie so oft, an die einfachste Variante habe ich nicht gedacht... #-o starte morgen eine neue Session und schau mal... hatte bereits gedacht, die ganze Radiokonsole zu demontieren.

wieso einfach, wenn es kompliziert auch geht...

Danke Petzi
Benutzeravatar
JTD-Ti
Beiträge: 284
Registriert: 29 Feb 2008, 11:45
Answers: 0
Aktuelle Fahrzeuge: Alfa Romeo Stelvio 🍀 2.9 V6 2018 (ohne OPF 😈) - nero vulcano
Alfa Romeo 75 2.5 6V iniezione QV - Bianco Argento met.
VW Up! 1.0 TSI - schwarz
Wohnort: Bern
Kontaktdaten:

Re: Radio Aus-/Einbau im Alfa 75

Beitrag von JTD-Ti »

schade, das mit dem einfach rausziehen geht nicht, die ganze Konsole droht mit zu kommen...

weitere Vorschläge??? [-o<

Merci Jungs!
Thom
Beiträge: 5213
Registriert: 09 Sep 2003, 22:29
Answers: 0
Aktuelle Fahrzeuge: Alfa Romeo GTV 3.0 V6 24V Ltd. Edition
Wohnort: SG
Kontaktdaten:

Re: Radio Aus-/Einbau im Alfa 75

Beitrag von Thom »

Denke mal dass von einem DIN1 Schacht die Rede ist? Da ist meistens eine Verankerung im Rahmen, die mittels Klemmen die dem Radio beigelegt sind, gelöst bzw. nach innen gedrückt werde können. Erst dann kann der Radio einfach raus gezogen werden. Wenn du diese klemmen nicht mehr hast, versuchs mit einem dünnen Schraubenzieher. Gewalt ist beim Radio immer falsch, auch wenns seeehr verlockend ist. :)
Bild
Benutzeravatar
Lucagtv
Beiträge: 3281
Registriert: 05 Jan 2005, 12:35
Answers: 0
Aktuelle Fahrzeuge: Alfa GTV 916 3.0 V6 24V
Alfa 75 3.0 V6 12V
Alfa 75 1.8TB
Alfa 147 1.9 JTD
Wohnort: Bern
Kontaktdaten:

Re: Radio Aus-/Einbau im Alfa 75

Beitrag von Lucagtv »

Falls du es nicht hinbekommst der freundliche Garagier von neben an hat normalerweise ein Set mit den gängisten "Klemmen".

Gruss Luca
Bild
Benutzeravatar
JTD-Ti
Beiträge: 284
Registriert: 29 Feb 2008, 11:45
Answers: 0
Aktuelle Fahrzeuge: Alfa Romeo Stelvio 🍀 2.9 V6 2018 (ohne OPF 😈) - nero vulcano
Alfa Romeo 75 2.5 6V iniezione QV - Bianco Argento met.
VW Up! 1.0 TSI - schwarz
Wohnort: Bern
Kontaktdaten:

Re: Radio Aus-/Einbau im Alfa 75

Beitrag von JTD-Ti »

werde mal das mit dem Schraubenzieher versuchen, da ich die Klemmen garantiert nicht habe, leider...

und sonst hat es verschieden freudliche Garagiers in der Nähe, gell Luca :wink:

Gruss und Dank
Fabio
Benutzeravatar
JTD-Ti
Beiträge: 284
Registriert: 29 Feb 2008, 11:45
Answers: 0
Aktuelle Fahrzeuge: Alfa Romeo Stelvio 🍀 2.9 V6 2018 (ohne OPF 😈) - nero vulcano
Alfa Romeo 75 2.5 6V iniezione QV - Bianco Argento met.
VW Up! 1.0 TSI - schwarz
Wohnort: Bern
Kontaktdaten:

Re: Radio Aus-/Einbau im Alfa 75

Beitrag von JTD-Ti »

:evil: :evil: :evil:

war über Mittag tätig: keine Löcher, keine Schlitze in die ich mit kleinen PC-Schraubenziehern auch nur annähernd rankomme... greife ich von hinten rein in die Mittelkonsole, so spüre ich zwei grosse Klammern, die man irgendwie zusammenklemmen muss...

Kann es echt sein, dass ich die ganze Radiokonsole (inkl. Klima-Bedienteil) abschrauben muss?!?!?!?!?
Benutzeravatar
Lucagtv
Beiträge: 3281
Registriert: 05 Jan 2005, 12:35
Answers: 0
Aktuelle Fahrzeuge: Alfa GTV 916 3.0 V6 24V
Alfa 75 3.0 V6 12V
Alfa 75 1.8TB
Alfa 147 1.9 JTD
Wohnort: Bern
Kontaktdaten:

Re: Radio Aus-/Einbau im Alfa 75

Beitrag von Lucagtv »

Im normalfall sicherlich nicht!

Gruss Luca
Bild
firefox
Des Teufels rechte Hand / Site Admin
Beiträge: 1818
Registriert: 30 Aug 2003, 00:25
Answers: 1
Aktuelle Fahrzeuge: 75 3,0l V6
Alfetta 2.0 QO
Sud Sprint 1.5 Veloce
Dodge Nitro 2,8 SXT
Chrysler Voyager
Yamaha DT125
Malaguti F15 "Firefox"
Honda Spacey
Pontiac Firebird TransAm GTA
Wohnort: Liedertswil
Kontaktdaten:

Re: Radio Aus-/Einbau im Alfa 75

Beitrag von firefox »

Die Konsole runterschrauben ist ein viel kleinerer Aufwand als das was du bis jetzt versucht hast!

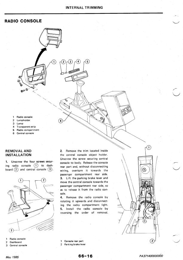
Die Konsole wird nur durch die sichtbaren Schrauben gehalten (unten und oben). Danach noch die grosse Zentrale Schraube im Fach der Armauflage lösen und schon kann man den Mitteltunnel nach hinten ziehen, soweis, dass man den Radioschacht ausfahren kann. Aufwand 10min......

Danach siehst du von hinten an den Radio und kannst ihn so sicher vieeeeel einfach lösen als mit den bisherigen versuchen.

Die Schraube im Ablagefach ist meisstens durch ein mit teppich überzogenes Kartoneinlageblättchen überdeckt aber keine Angst die Schraube ist dort ;-)
Dateianhänge
cc.jpg
RC.jpg
Benutzeravatar
JTD-Ti
Beiträge: 284
Registriert: 29 Feb 2008, 11:45
Answers: 0
Aktuelle Fahrzeuge: Alfa Romeo Stelvio 🍀 2.9 V6 2018 (ohne OPF 😈) - nero vulcano
Alfa Romeo 75 2.5 6V iniezione QV - Bianco Argento met.
VW Up! 1.0 TSI - schwarz
Wohnort: Bern
Kontaktdaten:

Re: Radio Aus-/Einbau im Alfa 75

Beitrag von JTD-Ti »

hmmm, na dann mal los mit Schraubenlösen :D

Versuchen wir es mal so rum...

Danke und Gruss
Benutzeravatar
Carabo
Beiträge: 306
Registriert: 11 Jul 2008, 14:09
Answers: 0
Aktuelle Fahrzeuge: 75 T.Spark -Limited Edition-
75 3.0 V6 -America-
75 T.Spark
Alfetta 2000
--------------------------------
www.transaxleforum.com
Wohnort: Bayern
Kontaktdaten:

Re: Radio Aus-/Einbau im Alfa 75

Beitrag von Carabo »

Die Klimabedienung hängt auch noch an der Konsole!

ServuStefan
ServuStefan

--------------------
www.transaxleforum.com
--------------------
75 T.Spark
75 T.Spark -Limited Edition-
75 3.0 V6 -America-
Alfetta 2000
--------------------
firefox
Des Teufels rechte Hand / Site Admin
Beiträge: 1818
Registriert: 30 Aug 2003, 00:25
Answers: 1
Aktuelle Fahrzeuge: 75 3,0l V6
Alfetta 2.0 QO
Sud Sprint 1.5 Veloce
Dodge Nitro 2,8 SXT
Chrysler Voyager
Yamaha DT125
Malaguti F15 "Firefox"
Honda Spacey
Pontiac Firebird TransAm GTA
Wohnort: Liedertswil
Kontaktdaten:

Re: Radio Aus-/Einbau im Alfa 75

Beitrag von firefox »

Nein, die hängt mit 2 seperaten Schrauben direkt am oberen Teil der Mittelkonsole und nicht am unteren Teil wo der Radio eingebaut ist. Die untere Konsole dient nur als Verschalung...... Habe ja deshalb extra die Anleitung in Bildform reingepostet.... Ausserdem gibt es in meinem 75er keine Kardantunnelconsole und auch keine Radioconsole mehr und ich kann immer noch die Lüftung steuern ;-)
Benutzeravatar
Carabo
Beiträge: 306
Registriert: 11 Jul 2008, 14:09
Answers: 0
Aktuelle Fahrzeuge: 75 T.Spark -Limited Edition-
75 3.0 V6 -America-
75 T.Spark
Alfetta 2000
--------------------------------
www.transaxleforum.com
Wohnort: Bayern
Kontaktdaten:

Re: Radio Aus-/Einbau im Alfa 75

Beitrag von Carabo »

Stimmt! Ich nehme alles zurück und behaupte das Gegenteil! :D

ServuStefan
ServuStefan

--------------------
www.transaxleforum.com
--------------------
75 T.Spark
75 T.Spark -Limited Edition-
75 3.0 V6 -America-
Alfetta 2000
--------------------
Benutzeravatar
JTD-Ti
Beiträge: 284
Registriert: 29 Feb 2008, 11:45
Answers: 0
Aktuelle Fahrzeuge: Alfa Romeo Stelvio 🍀 2.9 V6 2018 (ohne OPF 😈) - nero vulcano
Alfa Romeo 75 2.5 6V iniezione QV - Bianco Argento met.
VW Up! 1.0 TSI - schwarz
Wohnort: Bern
Kontaktdaten:

Re: Radio Aus-/Einbau im Alfa 75

Beitrag von JTD-Ti »

so, geschafft!!! Dank euren Tipps ist das alte Radio raus und das "neue" drin... muss nur noch schauen, wie ich das Ganze stabilisieren kann, da ich keinen Einbaurahmen für den Alpine habe...

Wie immer: für Tipps immer dankbar, werde ein Foto vom guten alten Stück posten...

schon mal im Voraus: merci viu viu mau und ä Gruess
fabio
Antworten

Wer ist online?

Mitglieder in diesem Forum: 0 Mitglieder und 1 Gast