Radio Aus-/Einbau im Alfa 75
- JTD-Ti
- Beiträge: 284
- Registriert: 29 Feb 2008, 11:45
- Aktuelle Fahrzeuge: Alfa Romeo Stelvio 🍀 2.9 V6 2018 (ohne OPF 😈) - nero vulcano
Alfa Romeo 75 2.5 6V iniezione QV - Bianco Argento met.
VW Up! 1.0 TSI - schwarz - Wohnort: Bern
- Kontaktdaten:
Radio Aus-/Einbau im Alfa 75
Morgen mitenand!
Habe im Forum gesucht und echt nichts gefunden:
Mein altes Kassettenradio ist ausgestiegen und ich möchte ein "neues" Alpine-Radio anno 1987 einbauen...
Nun: Mein altes Radio hat keine Art Schlitze oder Löcher, mittels denen man den Radio rausnehmen könnte und an der Rückseite hat es Unmengen an Kabel und Dämmmaterial...
Wie weiter? Hat jemand einen Tipp? Sonst muss ich halt den Weg über den Profi gehen, da ich meinen QV nicht wirklich verhunzgen möchte...
Merci für die Hilfe und ä Gruess us Bärn
Habe im Forum gesucht und echt nichts gefunden:
Mein altes Kassettenradio ist ausgestiegen und ich möchte ein "neues" Alpine-Radio anno 1987 einbauen...
Nun: Mein altes Radio hat keine Art Schlitze oder Löcher, mittels denen man den Radio rausnehmen könnte und an der Rückseite hat es Unmengen an Kabel und Dämmmaterial...
Wie weiter? Hat jemand einen Tipp? Sonst muss ich halt den Weg über den Profi gehen, da ich meinen QV nicht wirklich verhunzgen möchte...
Merci für die Hilfe und ä Gruess us Bärn
- Petzi
- Beiträge: 4518
- Registriert: 27 Apr 2005, 19:58
- Aktuelle Fahrzeuge: Alfa Romeo 166 3.0 24V Super
Alfa Romeo Milano 2.5 V6 Q. Oro
Ex.
Alfa Romeo 164 3.0 24V Super - Wohnort: Zürich Oberland
- Kontaktdaten:
Re: Radio Aus-/Einbau im Alfa 75
Hast du mal probiert den Radio einfach raus zu ziehen? Habe bei meinem auch ein altes Radio drin, dies konnte ich auch problemlos rausziehen ohne was kaputt zu machen

Alfa Romeo Sport through Design
Alfa Romeo 166 3.0 V6 24V Super
Alfa Romeo 75 Milano Q.Oro
Alfa Romeo 166 3.0 V6 24V Super
Alfa Romeo 75 Milano Q.Oro
- JTD-Ti
- Beiträge: 284
- Registriert: 29 Feb 2008, 11:45
- Aktuelle Fahrzeuge: Alfa Romeo Stelvio 🍀 2.9 V6 2018 (ohne OPF 😈) - nero vulcano
Alfa Romeo 75 2.5 6V iniezione QV - Bianco Argento met.
VW Up! 1.0 TSI - schwarz - Wohnort: Bern
- Kontaktdaten:
Re: Radio Aus-/Einbau im Alfa 75
wie so oft, an die einfachste Variante habe ich nicht gedacht...
starte morgen eine neue Session und schau mal... hatte bereits gedacht, die ganze Radiokonsole zu demontieren.
wieso einfach, wenn es kompliziert auch geht...
Danke Petzi
wieso einfach, wenn es kompliziert auch geht...
Danke Petzi
- JTD-Ti
- Beiträge: 284
- Registriert: 29 Feb 2008, 11:45
- Aktuelle Fahrzeuge: Alfa Romeo Stelvio 🍀 2.9 V6 2018 (ohne OPF 😈) - nero vulcano
Alfa Romeo 75 2.5 6V iniezione QV - Bianco Argento met.
VW Up! 1.0 TSI - schwarz - Wohnort: Bern
- Kontaktdaten:
Re: Radio Aus-/Einbau im Alfa 75
schade, das mit dem einfach rausziehen geht nicht, die ganze Konsole droht mit zu kommen...
weitere Vorschläge???
Merci Jungs!
weitere Vorschläge???
Merci Jungs!
-
Thom
- Beiträge: 5213
- Registriert: 09 Sep 2003, 22:29
- Aktuelle Fahrzeuge: Alfa Romeo GTV 3.0 V6 24V Ltd. Edition
- Wohnort: SG
- Kontaktdaten:
Re: Radio Aus-/Einbau im Alfa 75
Denke mal dass von einem DIN1 Schacht die Rede ist? Da ist meistens eine Verankerung im Rahmen, die mittels Klemmen die dem Radio beigelegt sind, gelöst bzw. nach innen gedrückt werde können. Erst dann kann der Radio einfach raus gezogen werden. Wenn du diese klemmen nicht mehr hast, versuchs mit einem dünnen Schraubenzieher. Gewalt ist beim Radio immer falsch, auch wenns seeehr verlockend ist. 

- Lucagtv
- Beiträge: 3281
- Registriert: 05 Jan 2005, 12:35
- Aktuelle Fahrzeuge: Alfa GTV 916 3.0 V6 24V
Alfa 75 3.0 V6 12V
Alfa 75 1.8TB
Alfa 147 1.9 JTD - Wohnort: Bern
- Kontaktdaten:
Re: Radio Aus-/Einbau im Alfa 75
Falls du es nicht hinbekommst der freundliche Garagier von neben an hat normalerweise ein Set mit den gängisten "Klemmen".
Gruss Luca
Gruss Luca

- JTD-Ti
- Beiträge: 284
- Registriert: 29 Feb 2008, 11:45
- Aktuelle Fahrzeuge: Alfa Romeo Stelvio 🍀 2.9 V6 2018 (ohne OPF 😈) - nero vulcano
Alfa Romeo 75 2.5 6V iniezione QV - Bianco Argento met.
VW Up! 1.0 TSI - schwarz - Wohnort: Bern
- Kontaktdaten:
Re: Radio Aus-/Einbau im Alfa 75
werde mal das mit dem Schraubenzieher versuchen, da ich die Klemmen garantiert nicht habe, leider...
und sonst hat es verschieden freudliche Garagiers in der Nähe, gell Luca
Gruss und Dank
Fabio
und sonst hat es verschieden freudliche Garagiers in der Nähe, gell Luca
Gruss und Dank
Fabio
- JTD-Ti
- Beiträge: 284
- Registriert: 29 Feb 2008, 11:45
- Aktuelle Fahrzeuge: Alfa Romeo Stelvio 🍀 2.9 V6 2018 (ohne OPF 😈) - nero vulcano
Alfa Romeo 75 2.5 6V iniezione QV - Bianco Argento met.
VW Up! 1.0 TSI - schwarz - Wohnort: Bern
- Kontaktdaten:
Re: Radio Aus-/Einbau im Alfa 75
war über Mittag tätig: keine Löcher, keine Schlitze in die ich mit kleinen PC-Schraubenziehern auch nur annähernd rankomme... greife ich von hinten rein in die Mittelkonsole, so spüre ich zwei grosse Klammern, die man irgendwie zusammenklemmen muss...
Kann es echt sein, dass ich die ganze Radiokonsole (inkl. Klima-Bedienteil) abschrauben muss?!?!?!?!?
-
firefox
- Des Teufels rechte Hand / Site Admin
- Beiträge: 1818
- Registriert: 30 Aug 2003, 00:25
- Aktuelle Fahrzeuge: 75 3,0l V6
Alfetta 2.0 QO
Sud Sprint 1.5 Veloce
Dodge Nitro 2,8 SXT
Chrysler Voyager
Yamaha DT125
Malaguti F15 "Firefox"
Honda Spacey
Pontiac Firebird TransAm GTA - Wohnort: Liedertswil
- Kontaktdaten:
Re: Radio Aus-/Einbau im Alfa 75
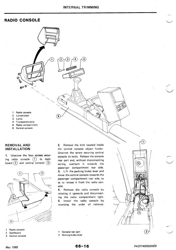
Die Konsole runterschrauben ist ein viel kleinerer Aufwand als das was du bis jetzt versucht hast!
Die Konsole wird nur durch die sichtbaren Schrauben gehalten (unten und oben). Danach noch die grosse Zentrale Schraube im Fach der Armauflage lösen und schon kann man den Mitteltunnel nach hinten ziehen, soweis, dass man den Radioschacht ausfahren kann. Aufwand 10min......
Danach siehst du von hinten an den Radio und kannst ihn so sicher vieeeeel einfach lösen als mit den bisherigen versuchen.
Die Schraube im Ablagefach ist meisstens durch ein mit teppich überzogenes Kartoneinlageblättchen überdeckt aber keine Angst die Schraube ist dort
Die Konsole wird nur durch die sichtbaren Schrauben gehalten (unten und oben). Danach noch die grosse Zentrale Schraube im Fach der Armauflage lösen und schon kann man den Mitteltunnel nach hinten ziehen, soweis, dass man den Radioschacht ausfahren kann. Aufwand 10min......
Danach siehst du von hinten an den Radio und kannst ihn so sicher vieeeeel einfach lösen als mit den bisherigen versuchen.
Die Schraube im Ablagefach ist meisstens durch ein mit teppich überzogenes Kartoneinlageblättchen überdeckt aber keine Angst die Schraube ist dort
- JTD-Ti
- Beiträge: 284
- Registriert: 29 Feb 2008, 11:45
- Aktuelle Fahrzeuge: Alfa Romeo Stelvio 🍀 2.9 V6 2018 (ohne OPF 😈) - nero vulcano
Alfa Romeo 75 2.5 6V iniezione QV - Bianco Argento met.
VW Up! 1.0 TSI - schwarz - Wohnort: Bern
- Kontaktdaten:
Re: Radio Aus-/Einbau im Alfa 75
hmmm, na dann mal los mit Schraubenlösen
Versuchen wir es mal so rum...
Danke und Gruss
Versuchen wir es mal so rum...
Danke und Gruss
- Carabo
- Beiträge: 306
- Registriert: 11 Jul 2008, 14:09
- Aktuelle Fahrzeuge: 75 T.Spark -Limited Edition-
75 3.0 V6 -America-
75 T.Spark
Alfetta 2000
--------------------------------
www.transaxleforum.com - Wohnort: Bayern
- Kontaktdaten:
Re: Radio Aus-/Einbau im Alfa 75
Die Klimabedienung hängt auch noch an der Konsole!
ServuStefan
ServuStefan
ServuStefan
--------------------
www.transaxleforum.com
--------------------
75 T.Spark
75 T.Spark -Limited Edition-
75 3.0 V6 -America-
Alfetta 2000
--------------------
--------------------
www.transaxleforum.com
--------------------
75 T.Spark
75 T.Spark -Limited Edition-
75 3.0 V6 -America-
Alfetta 2000
--------------------
-
firefox
- Des Teufels rechte Hand / Site Admin
- Beiträge: 1818
- Registriert: 30 Aug 2003, 00:25
- Aktuelle Fahrzeuge: 75 3,0l V6
Alfetta 2.0 QO
Sud Sprint 1.5 Veloce
Dodge Nitro 2,8 SXT
Chrysler Voyager
Yamaha DT125
Malaguti F15 "Firefox"
Honda Spacey
Pontiac Firebird TransAm GTA - Wohnort: Liedertswil
- Kontaktdaten:
Re: Radio Aus-/Einbau im Alfa 75
Nein, die hängt mit 2 seperaten Schrauben direkt am oberen Teil der Mittelkonsole und nicht am unteren Teil wo der Radio eingebaut ist. Die untere Konsole dient nur als Verschalung...... Habe ja deshalb extra die Anleitung in Bildform reingepostet.... Ausserdem gibt es in meinem 75er keine Kardantunnelconsole und auch keine Radioconsole mehr und ich kann immer noch die Lüftung steuern 
- Carabo
- Beiträge: 306
- Registriert: 11 Jul 2008, 14:09
- Aktuelle Fahrzeuge: 75 T.Spark -Limited Edition-
75 3.0 V6 -America-
75 T.Spark
Alfetta 2000
--------------------------------
www.transaxleforum.com - Wohnort: Bayern
- Kontaktdaten:
Re: Radio Aus-/Einbau im Alfa 75
Stimmt! Ich nehme alles zurück und behaupte das Gegenteil!
ServuStefan
ServuStefan
ServuStefan
--------------------
www.transaxleforum.com
--------------------
75 T.Spark
75 T.Spark -Limited Edition-
75 3.0 V6 -America-
Alfetta 2000
--------------------
--------------------
www.transaxleforum.com
--------------------
75 T.Spark
75 T.Spark -Limited Edition-
75 3.0 V6 -America-
Alfetta 2000
--------------------
- JTD-Ti
- Beiträge: 284
- Registriert: 29 Feb 2008, 11:45
- Aktuelle Fahrzeuge: Alfa Romeo Stelvio 🍀 2.9 V6 2018 (ohne OPF 😈) - nero vulcano
Alfa Romeo 75 2.5 6V iniezione QV - Bianco Argento met.
VW Up! 1.0 TSI - schwarz - Wohnort: Bern
- Kontaktdaten:
Re: Radio Aus-/Einbau im Alfa 75
so, geschafft!!! Dank euren Tipps ist das alte Radio raus und das "neue" drin... muss nur noch schauen, wie ich das Ganze stabilisieren kann, da ich keinen Einbaurahmen für den Alpine habe...
Wie immer: für Tipps immer dankbar, werde ein Foto vom guten alten Stück posten...
schon mal im Voraus: merci viu viu mau und ä Gruess
fabio
Wie immer: für Tipps immer dankbar, werde ein Foto vom guten alten Stück posten...
schon mal im Voraus: merci viu viu mau und ä Gruess
fabio
Wer ist online?
Mitglieder in diesem Forum: Google [Bot] und 1 Gast